legines.com
3500# Messinkivarusteet 90 asteen kyynärpöytävarusteet

3500# Messinkivarusteet 90 asteen kyynärpöytävarusteet

Tuoteominaisuudet: Markkinat:
■■ Kaikki messinki rakenteet ■■ Teollisuus-
■■ Täyttää toiminnalliset vaatimukset ■■ Rakennus
SAE J530 ja SAE J531 ■■ Raskas kuorma -auto
■■ Ketjut, jotka on valmistettu dryseaalistandardeille ■■ Liikkuva
■■ Sekä pyydystävät että ekstruusiot saatavilla ■■ Tehdas-/prosessiautomaatio

Sovellukset: Yhteensopiva letku:
■■ Lentolinjat ■■ Kupari
■■ Vesilinja ■■ Messinki
■■ Jäähdytyslinjat ■■ Rautapiippu

Tekniset tiedot:
Painealue jopa 1000 psi: iin
Lämpötila -alue -65 ° -250 ° F

Tyypillinen sovellus:
Rasva, polttoaineet, LP ja maakaasu, jääkaapit.

Vaatimustenmukaisuus:
Täyttää ASA: n, ASME: n ja SAE: n eritelmät ja standardit.

Viittausosa nro:
2200p -3500 -302 -200 -28001 -28005 -100

Ota yhteyttä

Tekniset tiedot

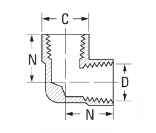
OSA# Säikeen koko C D -d N N
3500-A 1/8 × 1/8 9/16 .219 .66 .47
3500-B 1/4 × 1/4 11/16 .315 .91 .72
3500-C 3/8 × 3/8 13/16 .438 .97 .78
3500-D 1/2 × 1/2 1 " .562 1.25 1.03
3500-e 3/4 × 3/4 1 "-1/4 .750 1.38 1.12

Ref.sae nro130238

Messingistä valmistettu 90 asteen kyynärpämme valmistetaan vastaamaan teollisuus- ja rakennussovellusten tarpeita. Takattu messinki on kestävämpi, vaikeampi ja vähemmän todennäköinen taivutettu kuin suulakepuristettuja tuotteita. Pronssikiinnityksissämme on myös parempi vastus iskulle ja tärinälle. Tarjoamme sekä väärennettyjä että suulakepuristettuja putkilaitteita kaikissa teollisuussovelluksissa oleville projekteille, mukaan lukien lentolinjat, vesilinjat, jäähdytyslinjat ja paljon muuta. Messinkivarusteet valmistetaan korkealaatuisimmilla standardeilla. Taontaprosessista kierteiseen ja lopputulokseen jokainen vaihe tarkistetaan tarkkuustyökaluilla. Nämä liittimet täyttävät SAE J530: n ja SAE J531: n toiminnalliset vaatimukset, vaikka ne ovat yhteensopivia SAE -standardin SAE J514 ja ASME B16.21. 90 asteen kyynärpäiden kanssa valmistetaan korkealaatuisista messingistä, mikä tarjoaa vahvan ja kestävän rakenteen. Tarjoamme sekä tehdas- että kuorma -autojen kiinnitysvaihtoehtoja kahdella erilaisella barb -kokoonpanolla suurten porausputkien kooihin. Etsitkö korvaavaa tai haluat päivittää järjestelmäsi, Crouse-Hinds voi auttaa.

Ota yhteyttä meihin

Noin Laitos

Legines Industrial Machinery Inc.

Ammattimaisena Kiinan messinkivarusteena valmistajat ja työntävät varusteiden toimittajia. Se omaksuu täyden CNC -koneistuksen ja omistaa työpaja -alueen 3600 neliömetriä. 45 Automaattisia työstötyökaluja, 35 puoliautomaattista CNC-työstötyökalua sekä jakelijaa, joista on tullut tärkeitä toimittajia Yhdysvaltojen standardimessinen osien tuottamiseksi Kiinassa ...
  • kunnia
  • kunnia

OHJEET Uutiset