legines.com
3152# messinkivarusteet Cored Hex -tulppaputken varusteet

3152# messinkivarusteet Cored Hex -tulppaputken varusteet

Tuoteominaisuudet: Markkinat:
■■ Kaikki messinki rakenteet ■■ Teollisuus-
■■ Täyttää toiminnalliset vaatimukset ■■ Rakennus
SAE J530 ja SAE J531 ■■ Raskas kuorma -auto
■■ Ketjut, jotka on valmistettu dryseaalistandardeille ■■ Liikkuva
■■ Sekä pyydystävät että ekstruusiot saatavilla ■■ Tehdas-/prosessiautomaatio

Sovellukset: Yhteensopiva letku:
■■ Lentolinjat ■■ Kupari
■■ Vesilinja ■■ Messinki
■■ Jäähdytyslinjat ■■ Rautapiippu

Tekniset tiedot:
Painealue jopa 1000 psi: iin
Lämpötila -alue -65 ° -250 ° F

Tyypillinen sovellus:
Rasva, polttoaineet, LP ja maakaasu, jääkaapit.

Vaatimustenmukaisuus:
Täyttää ASA: n, ASME: n ja SAE: n eritelmät ja standardit.

Viittausosa nro:
218p -3152 -121a -103 -121b -pph -218p

Ota yhteyttä

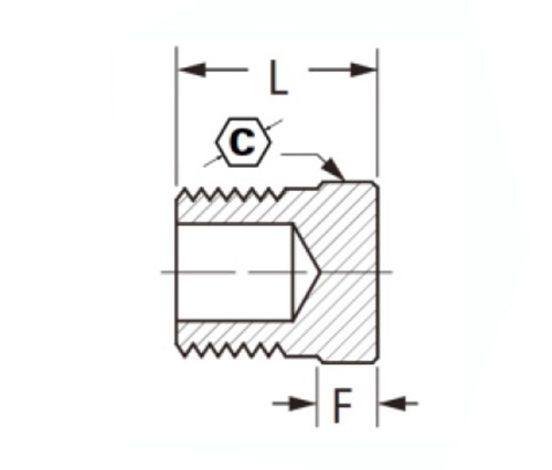
Tekniset tiedot

OSA#

Säikeen koko

C

F

Lens

3152-A

1/8

7/16

.19

.55

3152-B

1/4

9/16

.18

.62

3152-C

3/8

11/16

.22

.72

3152-D

1/2

7/8

.39

.87

3152-E

3/4

1-1/16

.56

.94

3152# Messinkivarusteet Cored Hex Pluts Pipe -varusteet - Tässä tuotteessa on messinkirakenne, teollisuussovellukset ja saatavilla olevat esittelyjä ja ekstruusioita. Nämä koristetut heksa -pistokkeet valmistettiin SAE J530/J531 -lannasta dryseaalimäärityksiin. Ne ovat yhteensopivia 1/8 "NPT -kelattujen letkun ja messinkiputkien kanssa. Ne ovat myös yhteensopivia muiden materiaalien, lämpötila -alueiden ja paine -alueiden kanssa. Se on kuusikulmioputki, joka sopii heksa -päähän, joten se voidaan helposti asentaa kuusikulmaiseen putkeen. Siinä on laaja valikoima käyttötarkoituksia, kuten teollisuustuotannon automaatio ja mobiilivarusteet. Painevalikoima on 1 000 PSI ja lämpötila -alue. 3Hungry-MidSize Ruostumattomasta teräksestä valmistettu raastin ruoanvalmistukseen (värivalinta) tuumaa (0-002 tuumaa).

Ota yhteyttä meihin

Noin Laitos

Legines Industrial Machinery Inc.

Ammattimaisena Kiinan messinkivarusteena valmistajat ja työntävät varusteiden toimittajia. Se omaksuu täyden CNC -koneistuksen ja omistaa työpaja -alueen 3600 neliömetriä. 45 Automaattisia työstötyökaluja, 35 puoliautomaattista CNC-työstötyökalua sekä jakelijaa, joista on tullut tärkeitä toimittajia Yhdysvaltojen standardimessinen osien tuottamiseksi Kiinassa ...
  • kunnia
  • kunnia

OHJEET Uutiset