legines.com
3325# Heksa nänniputkien vähentäminen

3325# Heksa nänniputkien vähentäminen

Tuoteominaisuudet: Markkinat:
■■ Kaikki messinki rakenteet ■■ Teollisuus-
■■ Täyttää toiminnalliset vaatimukset ■■ Rakennus
SAE J530 ja SAE J531 ■■ Raskas kuorma -auto
■■ Ketjut, jotka on valmistettu dryseaalistandardeille ■■ Liikkuva
■■ Sekä pyydystävät että ekstruusiot saatavilla ■■ Tehdas-/prosessiautomaatio

Sovellukset: Yhteensopiva letku:
■■ Lentolinjat ■■ Kupari
■■ Vesilinja ■■ Messinki
■■ Jäähdytyslinjat ■■ Rautapiippu

Tekniset tiedot:
Painealue jopa 1000 psi: iin
Lämpötila -alue -65 ° -250 ° F

Tyypillinen sovellus:
Rasva, polttoaineet, LP ja maakaasu, jääkaapit.

Vaatimustenmukaisuus:
Täyttää ASA: n, ASME: n ja SAE: n eritelmät ja standardit.

Viittausosa nro:
216p -3325 -379 -122AH -122B

Ota yhteyttä

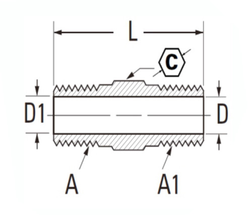
Tekniset tiedot

OSA#

Säikeen koko

C

D -d

D1

Lens

3325L-AA

1/8 × 1/8

7/16

.219

.219

.91

3325-AA

1/8 × 1/8

7/16

.219

.219

.97

3325L-BA

1/4 × 1/8

9/16

.219

.219

1.00

3325-BA

1/4 × 1/8

91/6

.312

.219

1.19

3325L-BB

1/4 × 1/4

9/16

.312

.312

1.12

3325-BB

1/4 × 1/4

9/16

.312

.312

1.38

3325L-CA

3/8 × 1/8

11/16

.438

.219

1.11

3325-CA

3/8 × 1/8

11/16

.438

.219

1.22

3325L-CB

3/8 × 1/4

11/16

.438

.312

1.19

3325-CB

3/8 × 1/4

11/16

.438

.312

1.41

3325L-CC

3/8 × 3/8

11/16

.438

.438

1.25

3325-CC

3/8 × 3/8

11/16

.438

.438

1.41

3325L-DB

1/2 × 1/4

7/8

.562

.319

1.34

3325-DB

1/2 × 1/4

7/8

.562

.319

1.62

3325L-DC

1/2 × 3/8

7/8

.562

.438

1.41

3325-DC

1/2 × 3/8

7/8

.562

.438

1.62

3325L-DD

1/2 × 1/2

7/8

.662

.662

1.50

3325-DD

1/2 × 1/2

7/8

.562

.562

1.81

3325-ED

3/4 × 1/2

1-1/16

.750

.562

1.50

3325-ee

3/4 × 3/4

1-1/16

.750

.750

1.96

3325-HH

1 "× 1"

1-3/8

.960

.960

2.30

* L: valo

*Ref.sae nro130137

3325-sarjamme, jotka vähenevät kuusionappilaitteen putkenvarusteisiin, on valmistettu messinkiseoksella, joka on 100% lyijyvapaa. Tarjoamme tämän sopivuuden sekä armennusten että suulakepuristuksia. Jokainen nänni valmistetaan vastaamaan SAE J530: n tai SAE J531: n, molemmat raskaiden kuorma -autojen markkinat. Takoitettuja 3325 -sarjan putken nännejä on saatavana sekä suurina että vakiokokoisina säikeinä. Nämä nännit ovat yhteensopivia kuparin, messinki- ja rautaputkien kanssa, jotka vaihtelevat välillä ¼ ”½”: n aikataulun 40 kautta. Tehtaan myyntiinsinöörimme auttavat sinua varmistamaan, että sinulla on oikea sopimus työhösi! 3325 -sarjan vähentävää nänniputken kiinnitystä käytetään ulkohalkaisijan putkikokojen vähentämiseen. 3325-sarjassa on messinkirakenteen väärentäminen, ja mukana tulee NACE-sertifikaatti sekä A-607, AWS ja ASME-leimausmerkinnät. Saatavana eri paineina jopa 1000 psi.
Heksa -nänniputkien vähentäminen on ihanteellista useimpiin sovelluksiin. Ne tarjoavat kompakteja, tilaa säästävää malleja ja niitä käytetään putkistojärjestelmien yhdistämiseen. Nämä uros- ja naarasliittimet on valmistettu vahvoista taistetuista messinkimateriaaleista ja varustettu tarkkuus koneistettuja lankoja sujuvan käytön varmistamiseksi.

Ota yhteyttä meihin

Noin Laitos

Legines Industrial Machinery Inc.

Ammattimaisena Kiinan messinkivarusteena valmistajat ja työntävät varusteiden toimittajia. Se omaksuu täyden CNC -koneistuksen ja omistaa työpaja -alueen 3600 neliömetriä. 45 Automaattisia työstötyökaluja, 35 puoliautomaattista CNC-työstötyökalua sekä jakelijaa, joista on tullut tärkeitä toimittajia Yhdysvaltojen standardimessinen osien tuottamiseksi Kiinassa ...
  • kunnia
  • kunnia

OHJEET Uutiset