legines.com
3200# Extender Adapter -varusteet

3200# Extender Adapter -varusteet

Tuoteominaisuudet: Markkinat:
■■ Kaikki messinki rakenteet ■■ Teollisuus-
■■ Täyttää toiminnalliset vaatimukset ■■ Rakennus
SAE J530 ja SAE J531 ■■ Raskas kuorma -auto
■■ Ketjut, jotka on valmistettu dryseaalistandardeille ■■ Liikkuva
■■ Sekä pyydystävät että ekstruusiot saatavilla ■■ Tehdas-/prosessiautomaatio

Sovellukset: Yhteensopiva letku:
■■ Lentolinjat ■■ Kupari
■■ Vesilinja ■■ Messinki
■■ Jäähdytyslinjat ■■ Rautapiippu

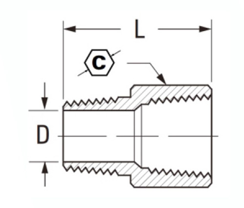
Tekniset tiedot:
Painealue jopa 1000 psi: iin
Lämpötila -alue -65 ° -250 ° F

Tyypillinen sovellus:
Rasva, polttoaineet, LP ja maakaasu, jääkaapit.

Vaatimustenmukaisuus:
Täyttää ASA: n, ASME: n ja SAE: n eritelmät ja standardit.

Viittausosa nro:
375 -222p -3200 -R1 -120AH -120b

Ota yhteyttä

Tekniset tiedot

OSA#

Säikeen koko

C

F

Lens

3200-AA

F1/8 × M1/8

1/2

.219

.88

3200L-AA

F1/8 × M1/8

9/16

.219

.83

3200-ba

F1/4 × M1/8

3/4

.219

1.06

3200L-BA

F1/4 × M1/8

11/16

.219

.94

3200ll-Ba

F1/4 × M1/8

5/8

.219

.94

3200-BB

F1/4 × M1/4

3/4

.312

1.25

3200L-BB

F1/4 × M1/4

11/16

.312

1.00

3200ll-BB

F1/4 × M1/4

5/8

.312

1.00

3200-CA

F3/8 × M1/8

7/8

.219

1.00

3200-CB

F3/8 × M1/4

7/8

.312

1.25

3200L-CB

F3/8 × M1/4

13/16

.312

1.12

3200-CC

F3/8 × M3/8

7/8

.438

1.24

3200L-CC

F3/8 × M3/8

13/16

.438

1.12

3200-DB

F1/2 × M1/4

1-1/16

.312

1.46

3200-DC

F1/2 × M3/8

1-1/16

.438

1.47

3200L-DC

F1/2 × M3/8

15/16

.438

1.19

3200-DD

F1/2 × M1/2

1-1/16

.562

1.66

3200L-DD

F1/2 × M1/2

15/16

.562

1.31

3200-EC

F3/4 × M3/8

1-1/4

.438

1.59

3200-ED

F3/4 × M1/2

1-1/4

.563

1.69

3200-ee

F3/4 × M3/4

1-1/4

.750

1.69

*L: valo

*Ref.sae nro130139

Sovitinosoitteet on valmistettu sekä arminnoista että suulakepuristuksista ja yhteensopivia laajan letkualueen kanssa, mukaan lukien lentolinjat, vesilinjat jne. SAE J530 ja SAE J531 -kierteet täyttävät raskaiden kuorma -autojen markkinoiden toiminnalliset vaatimukset. Yhteensopiva sekä kuparin että messinkiletkun kanssa, tämä tuote pystyy käsittelemään painealueen jopa 1000 psi. Kaikki varusteet tehdään Yhdysvalloissa. RSE: ien 3200 -sarja - Sarja 200 sovitinosat on suunniteltu pidentämään putkien pituuksia. Kestävä, kaikki messinkirakenteet tekevät näistä liittimistä ihanteellisia teollisuus-, kuorma -auto- ja mobiilisovelluksiin. Nämä varusteet voivat yhdistää minkä tahansa 2 tuuman putken koon ja niiden painealue välillä 500-1000 psi, lämpötilojen ollessa -65 ° C -250 ° Fahrenheit. Saatavana myös kokoina 1/8 ” - 6” .Ka. Siinä on pronssista valmistettu ferruloitu runko, joka tarjoaa suojaa korroosiolta, joten sovitusta voidaan käyttää erilaisilla vedenpainetasoilla. Naaraspää on kierteitetty ja siinä on kolme asetettua ruuvia.

Ota yhteyttä meihin

Noin Laitos

Legines Industrial Machinery Inc.

Ammattimaisena Kiinan messinkivarusteena valmistajat ja työntävät varusteiden toimittajia. Se omaksuu täyden CNC -koneistuksen ja omistaa työpaja -alueen 3600 neliömetriä. 45 Automaattisia työstötyökaluja, 35 puoliautomaattista CNC-työstötyökalua sekä jakelijaa, joista on tullut tärkeitä toimittajia Yhdysvaltojen standardimessinen osien tuottamiseksi Kiinassa ...
  • kunnia
  • kunnia

OHJEET Uutiset