legines.com
3151# Brass Fittings Square Head Plack Pipe -varusteet

3151# Brass Fittings Square Head Plack Pipe -varusteet

Tuoteominaisuudet: Markkinat:
■■ Kaikki messinki rakenteet ■■ Teollisuus-
■■ Täyttää toiminnalliset vaatimukset ■■ Rakennus
SAE J530 ja SAE J531 ■■ Raskas kuorma -auto
■■ Ketjut, jotka on valmistettu dryseaalistandardeille ■■ Liikkuva
■■ Sekä pyydystävät että ekstruusiot saatavilla ■■ Tehdas-/prosessiautomaatio

Sovellukset: Yhteensopiva letku:
■■ Lentolinjat ■■ Kupari
■■ Vesilinja ■■ Messinki
■■ Jäähdytyslinjat ■■ Rautapiippu

Tekniset tiedot:
Painealue jopa 1000 psi: iin
Lämpötila -alue -65 ° -250 ° F

Tyypillinen sovellus:
Rasva, polttoaineet, LP ja maakaasu, jääkaapit.

Vaatimustenmukaisuus:
Täyttää ASA: n, ASME: n ja SAE: n eritelmät ja standardit.

Viittausosa nro:
3151 -211p -109a -109b

Ota yhteyttä

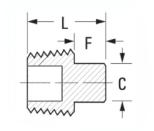
Tekniset tiedot

OSA#

Säikeen koko

C

F

Lens

3151-A

1/8

.28

.24

.58

3151-B

1/8

.37

.29

.80

*3151L-B

1/4

.37

.29

.80

3151-C

3/8

.43

.32

.80

3151L-C

3/8

.43

.32

.80

3151-D

1/2

.56

.39

1.07

*3151L-D

1/2

.56

.39

1.07

3151-E

3/4

.62

.43

1.11

*3151L-E

3/4

.62

.43

1.11

*Ontto

3151 -sarjamme tarjoaa täyden valikoiman putkilinjoja, vesilinjoja ja voitelujärjestelmiä. Nämä messinkivarusteet on valmistettu SAE J530- ja SAE J531 -materiaaleista, jotka vastaavat työpainetta ja lämpötilojasi luotettavan käyttöiän kannalta. Varusteissa on saatavana sekä armahtamisia että ekstruusioita, samoin kuin korroosiokestävän pinnoituskannen, jotka voidaan maalata mihin tahansa OEM -standardiin. Kaikki messinkirakenne tarjoaa paremman korroosionkestävyyden ja lujuuden. Tämä sovitus täyttää J530 -standardin ja on yhteensopiva dryseaaliputken kierteellä. Rakennatko uutta ilmalinjaa tai korvaat vanhemmat metallivarusteet nykyaikaisella tekniikalla, nämä kestävät varusteet auttavat sinua saamaan työn oikein.
Neliöpistotulppavarusteet valmistetaan messingistä, ja niitä voidaan käyttää useissa sovelluksissa, mukaan lukien jäähdytyslinjat, vesilinjat, ilmaviivat ja elektroniset liitännät. Jokainen istuvuus on yhteensopiva kupariputkien tai rautaputken sekä messinkiputkien kanssa.

Ota yhteyttä meihin

Noin Laitos

Legines Industrial Machinery Inc.

Ammattimaisena Kiinan messinkivarusteena valmistajat ja työntävät varusteiden toimittajia. Se omaksuu täyden CNC -koneistuksen ja omistaa työpaja -alueen 3600 neliömetriä. 45 Automaattisia työstötyökaluja, 35 puoliautomaattista CNC-työstötyökalua sekä jakelijaa, joista on tullut tärkeitä toimittajia Yhdysvaltojen standardimessinen osien tuottamiseksi Kiinassa ...
  • kunnia
  • kunnia

OHJEET Uutiset