legines.com
45# SAE 45 ° soihdutusta taottu uroshaara -tee

45# SAE 45 ° soihdutusta taottu uroshaara -tee

Tuoteominaisuudet:
■■ Kaikki messinki rakenteet
■■ Vastustaa värähtelyä pitkän mutterin avulla
■■ UL -listaus
■■ SAE J512: n ja J513: n toiminnalliset vaatimukset


Markkinat: Sovellukset:
■■ Jäähdytys ■■ Jäähdytyslinjat
■■ Raskas kuorma -auto ■■ Propaani
■■ Liikkuva ■■ Polttoaine
■■ Teollisuus- ■■ Adapterit
■■ Lämmitys ■■ Maakaasu
■■ Ilmastointi

Viittausosa nro:
T1 -145F -45 -10203 -10221

Ota yhteyttä

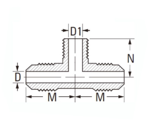
Tekniset tiedot

OSA#

Leimahdus O.D -d × Unnti

D

M

N

45-3a

3/16 × 1/8

.126

.75

.75

45-4a

1/4 × 1/8

.189

.78

.78

45-4b

1/4 × 1/4

.189

.88

.88

45-5a

5/16 × 1/8

.219

.88

.80

45-5b

5/16 × 1/4

.219

1.00

.94

45-6b

3/8 × 1/4

.282

1.00

.94

45-6C

3/8 × 3/8

.282

1.00

1.00

45-6d

3/8 × 1/2

.282

1.12

1.12

45-8C

1/2 × 3/8

.408

1.16

1.09

45-8d

1/2 × 1/2

.408

1.22

1.22

45-1OD

5/8 × 1/2

.500

1.41

1.31

45-12d

3/4 × 1/2

.625

1.63

1.59

45-12E

3/4 × 3/4

.625

1.63

1.44

*Ref.sae nro010425

45 ° soihdutusmessinki -uroshaara -tee tarjoaa vaihtoehtoja putkistojärjestelmällesi. Nämä kierteitetyt varusteet ovat yleisiä siinä mielessä, että niitä voidaan käyttää molemmin puolin työskentelemään joko soihdun tai spigot -päiden kanssa, teollisuuden standardien mukaan. Kaikki tuotteemme ovat messinkiä ja ovat sekä kestäviä ja luotettavia. Yksikkö on lueteltu ja se täyttää SAE J512: n ja J513: n toiminnalliset vaatimukset. Lisäkokoja saatavilla pyynnöstä.

Ota yhteyttä meihin

Noin Laitos

Legines Industrial Machinery Inc.

Ammattimaisena Kiinan messinkivarusteena valmistajat ja työntävät varusteiden toimittajia. Se omaksuu täyden CNC -koneistuksen ja omistaa työpaja -alueen 3600 neliömetriä. 45 Automaattisia työstötyökaluja, 35 puoliautomaattista CNC-työstötyökalua sekä jakelijaa, joista on tullut tärkeitä toimittajia Yhdysvaltojen standardimessinen osien tuottamiseksi Kiinassa ...
  • kunnia
  • kunnia

OHJEET Uutiset