legines.com
54# SAE 45 ° soihdutusmessinkivarusteet takasivat 45 ° uroskyynärpää

54# SAE 45 ° soihdutusmessinkivarusteet takasivat 45 ° uroskyynärpää

Tuoteominaisuudet:
■■ Kaikki messinki rakenteet
■■ Vastustaa värähtelyä pitkän mutterin avulla
■■ UL -listaus
■■ SAE J512: n ja J513: n toiminnalliset vaatimukset


Markkinat: Sovellukset:
■■ Jäähdytys ■■ Jäähdytyslinjat
■■ Raskas kuorma -auto ■■ Propaani
■■ Liikkuva ■■ Polttoaine
■■ Teollisuus- ■■ Adapterit
■■ Lämmitys ■■ Maakaasu
■■ Ilmastointi

Viittausosa nro:
E415 -654F -47 -54 -59ff -4945 -159F -254 -10448-10459

Ota yhteyttä

Tekniset tiedot

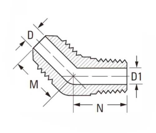
OSA#

Leimahdus O.D -d × Unnti

D

D1

M

N

54-4a

1/4 × 1/8

.189

.219

.67

.64

54-4b

1/4 × 1/4

.189

.312

.75

.86

54-5a

5/16 × 1/8

.219

.219

.78

.64

54-5b

5/16 × 1/4

.219

.312

.81

.86

54-6b

3/8 × 1/4

.282

.312

.91

.86

54-6c

3/8 × 3/8

.282

.438

.93

.94

54-6d

3/8 × 1/2

.282

.562

.99

1.17

54-8C

1/2 × 3/8

.408

.438

1.07

.88

54-8d

1/2 × 1/2

.408

.562

1.12

1.17

54-10C

5/8 × 3/8

.500

.438

1.13

.95

54-10d

5/8 × 1/2

.500

.562

1.13

1.17

54-12d

3/4 × 1/2

.625

.750

1.28

1.17

54-12E

3/4 × 3/4

.625

.750

1.41

1.20

*Ref.sae nro010302

Tämä on SAE: n 45 ° soihdutusmessinkivitys, jossa on taottu 45 ° uros kyynärpää. Messinkirakenne tekee tästä sopivan erittäin luotettavan ja kestävän. SAE J512: n ja J513: n toiminnalliset vaatimukset täyttyvät tällä sovituksella, kun taas pitkän mutterin käyttö vähentää värähtelyä käyttöä.

Ota yhteyttä meihin

Noin Laitos

Legines Industrial Machinery Inc.

Ammattimaisena Kiinan messinkivarusteena valmistajat ja työntävät varusteiden toimittajia. Se omaksuu täyden CNC -koneistuksen ja omistaa työpaja -alueen 3600 neliömetriä. 45 Automaattisia työstötyökaluja, 35 puoliautomaattista CNC-työstötyökalua sekä jakelijaa, joista on tullut tärkeitä toimittajia Yhdysvaltojen standardimessinen osien tuottamiseksi Kiinassa ...
  • kunnia
  • kunnia

OHJEET Uutiset