legines.com
49# SAE 45 ° soihdut taottuna 90 ° uros kyynärpään messinki soihdutukset

49# SAE 45 ° soihdut taottuna 90 ° uros kyynärpään messinki soihdutukset

Tuoteominaisuudet:
■■ Kaikki messinki rakenteet
■■ Vastustaa värähtelyä pitkän mutterin avulla
■■ UL -listaus
■■ SAE J512: n ja J513: n toiminnalliset vaatimukset


Markkinat: Sovellukset:
■■ Jäähdytys ■■ Jäähdytyslinjat
■■ Raskas kuorma -auto ■■ Propaani
■■ Liikkuva ■■ Polttoaine
■■ Teollisuus- ■■ Adapterit
■■ Lämmitys ■■ Maakaasu
■■ Ilmastointi

Viittausosa nro:
249F -49 -E1 -149F -10283 -10309 -S49

Ota yhteyttä

Tekniset tiedot

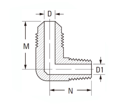
OSA#

Leimahdus O.D -d × Lanka

D1

D

M

N

49-2a

1/8 × 1/8

.219

.126

.63

.73

49-3a

3/16 × 1/8

.219

.126

.75

.75

49-4a

1/4 × 1/8

.219

.189

.81

.76

49-4b

1/4 × 1/4

.312

.189

.88

.94

49-4C

1/4 × 3/8

.438

.189

.92

1.01

49-4d

1/4 × 1/2

.562

.189

1.02

1.09

49-5a

5/16 × 1/8

.219

.219

.91

.88

49-5b

5/16 × 1/4

.312

.219

.95

.95

49-5C

5/16 × 3/8

.438

.219

.98

1.01

49-6a

3/8 × 1/8

.219

.282

1.00

.91

49-6b

3/8 × 1/4

.438

.282

1.06

1.01

49-6c

3/8 × 3/8

.438

.282

1.05

1.08

49-6d

3/8 × 1/2

.562

.282

1.10

1.00

49-8b

1/2 × 1/4

.312

.408

1.19

1.00

49-8C

1/2 × 3/8

.438

.408

1.19

1.00

49-8d

1/2 × 1/2

.562

.408

1.16

1.13

49-8e

1/2 × 3/4

.750

.408

1.38

1.38

49-10b

5/8 × 1/4

.312

.500

1.34

1.22

49-10C

5/8 × 3/8

.438

.500

1.34

1.22

49-10d

5/8 × 1/2

.562

.500

1.35

1.38

49-10e

5/8 × 3/4

.750

.500

1.44

1.38

49-12d

3/4 × 1/2

.562

.625

1.60

1.48

49-12E

3/4 × 3/4

.750

.625

1.60

1.62

*Mittatiedot voivat muuttua ilman erillistä ilmoitusta

* Ref.sae nro010202

49-sarjan kyynärpää on rakennettu korkealaatuisesta messingistä pitkäikäistä käyttöä varten ja sopii 1-1/16 ”NPT: n liekkailuyhteyksille. Putken päätyyhteyden mitat ovat 3/4” ja naispuoliset yhteydet mittaavat 5/8 ”. Näissä varusteissa on miespuolinen soihdutusyhdistysmutteri estämään värähtelyvaurioita, jotka voivat tapahtua ajan myötä, jonka alla nämä järjestelmät toimivat, varmistaen, että kiinnityslaitteet ovat ajan myötä.

Ota yhteyttä meihin

Noin Laitos

Legines Industrial Machinery Inc.

Ammattimaisena Kiinan messinkivarusteena valmistajat ja työntävät varusteiden toimittajia. Se omaksuu täyden CNC -koneistuksen ja omistaa työpaja -alueen 3600 neliömetriä. 45 Automaattisia työstötyökaluja, 35 puoliautomaattista CNC-työstötyökalua sekä jakelijaa, joista on tullut tärkeitä toimittajia Yhdysvaltojen standardimessinen osien tuottamiseksi Kiinassa ...
  • kunnia
  • kunnia

OHJEET Uutiset