legines.com
42# SAE 45 ° Flare -naarasliitin messinki soihdutukset

42# SAE 45 ° Flare -naarasliitin messinki soihdutukset

Tuoteominaisuudet:
■■ Kaikki messinki rakenteet
■■ Vastustaa värähtelyä pitkän mutterin avulla
■■ UL -listaus
■■ SAE J512: n ja J513: n toiminnalliset vaatimukset


Markkinat: Sovellukset:
■■ Jäähdytys ■■ Jäähdytyslinjat
■■ Raskas kuorma -auto ■■ Propaani
■■ Liikkuva ■■ Polttoaine
■■ Teollisuus- ■■ Adapterit
■■ Lämmitys ■■ Maakaasu
■■ Ilmastointi

Viittausosa nro:
46 -U3 -10227-10248

Ota yhteyttä

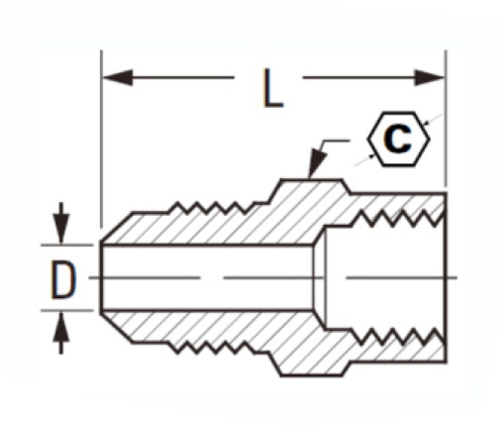
Tekniset tiedot

OSA#

Lenseimahdus O.D -d × Lanka

C

D

L

46-3a

3/16 × 1/8

9/16

.126

.58

46-4a

1/4 × 1/8

9/16

.189

.69

46-4b

1/4 × 1/4

11/16

.189

.79

46L-4B

1/4 × 1/4

11/16

.189

.88

46-4C

1/4 × 3/8

13/16

.189

1.06

46-4d

1/4 × 1/2

15/16

.189

1.31

46-5a

5/16 × 1/8

5/8

.219

1.38

46-5b

5/16 × 1/4

11/16

.219

1.44

46-5C

5/16 × 3/8

13/16

.219

1.69

46-6a

3/8 × 1/8

5/8

.282

1.88

46-6b

3/8 × 1/4

11/16

.282

1.87

46L-6B

3/8 × 1/4

13/16

.282

1.31

46-6C

3/8 × 3/8

13/16

.282

1.44

46-6d

3/8 × 1/2

1 "

.282

1.69

46L-6d

3/8 × 1/2

15/16

.282

1.44

46-8b

1/2 × 1/4

3/4

.408

1.60

46-8C

1/2 × 3/8

13/16

.408

1.62

46L-8C

1/2 × 3/8

13/16

.408

1.46

46-8d

1/2 × 1/2

1 "

.408

1.73

46L-8D

1/2 × 1/2

7/8

.408

1.62

46-8e

1/2 × 3/4

1-3/16

.408

1.75

46-10C

5/8 × 3/8

7/8

.500

1.79

46-10d

5/8 × 1/2

1 "

.500

1.98

46-12d

3/4 × 1/2

1-3/16

.625

2.17

46-12E

3/4 × 3/4

1-3/16

.625

2.08

"L" tarkoittaa kevyttä mallia.

Nämä varusteet ovat täysin vaihdettavissa täyden kuvion varusteiden kanssa, mutta niitä on muokattu doman tapaan.

Tämä modifikaatio on yleensä putkilankojen pituutta, käytettyjä putkisto- ja kevyissä teollisuussovelluksissa

*Mittatiedot voivat muuttua ilman erillistä ilmoitusta

*Ref.sae nro010103

SAE 45 ° leimahdusliitin on suunniteltu kevyelle keskisuurille tulleille, jotka vaativat suurta luotettavuutta. 46-U3: ta käytetään 10 000 psi: n enimmäispaineeseen käyttämällä nitriilin kumiletkua neopreenivuorella. Tässä liittimessä on raskas mutteri, joka kestävät värähtelyä ja pidentää tuotteen käyttöikää. SAE -urospuolinen soihdutuslaitos käyttää bajonettilukosengasta, joka ei vaadi erityisiä työkaluja asennuksen korvaamiseksi epäonnistumisen tai ylläpidon tapauksessa.

Ota yhteyttä meihin

Noin Laitos

Legines Industrial Machinery Inc.

Ammattimaisena Kiinan messinkivarusteena valmistajat ja työntävät varusteiden toimittajia. Se omaksuu täyden CNC -koneistuksen ja omistaa työpaja -alueen 3600 neliömetriä. 45 Automaattisia työstötyökaluja, 35 puoliautomaattista CNC-työstötyökalua sekä jakelijaa, joista on tullut tärkeitä toimittajia Yhdysvaltojen standardimessinen osien tuottamiseksi Kiinassa ...
  • kunnia
  • kunnia

OHJEET Uutiset