legines.com
72# messinki urospuolinen tee -pakkausvarusteet

72# messinki urospuolinen tee -pakkausvarusteet

Messinki urosjuoksun pakkausvarusteet 71

Sovellukset: Markkinat:
■■ Lentolinjat ■■ Teollisuus-
■■ Voitelulinjat ■■ Pakkaus
■■ Jäähdytyslinjat ■■ Pneumaattinen
■■ Teollisuus ■■ Tulostus
■■ Koneet
■■ Kompressorit
■■ Nesteen siirto

Tuoteominaisuudet:
■■ Täyttää SAE J-512: n toiminnalliset vaatimukset
■■ UL -lueteltu palavan nesteen suhteen
■■ Messinki tai asetaaliholkki saatavilla
■■ Ei putken valmistelua
■■ Taottu ja suulakepuristettu muoto

71 -171C -71A -S71

Ota yhteyttä

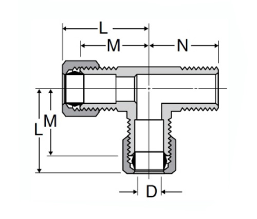
Tekniset tiedot

OSA#

Putki o.d × uros NPTF

M

N

D -d

71-3a

3/16 × 1/8

.63

.69

.125

71-4a

1/4 × 1/8

.63

.75

.188

71-4b

1/4 × 1/4

.69

.88

.188

71-5a

5/16 × 1/8

.72

.75

.250

71-5b

5/16 × 1/4

.75

.88

.250

71-6a

3/8 × 1/8

.75

.75

.312

71-6b

3/8 × 1/4

.79

.87

.312

71-6c

3/8 × 3/8

.88

1.00

.330

71-8C

1/2 × 3/8

.94

1.09

.406

71-8d

1/2 × 1/2

.97

1.19

.406

71-10d

5/8 × 1/2

1.06

1.31

.500

72# messinki urospuolinen Tee-pakkausvarusteet täyttävät SAE J-512: n toiminnalliset vaatimukset ja ne on lueteltu palavan nesteen suhteen. Näillä varusteilla ei ole putkenvalmistusta, ja ne ovat taottuja ja suulakepuristettuja muotoja. Niitä on saatavana monissa materiaaleissa, kuten messinki-, muovi- ja metalliholkki. Siinä on messinki tai asetaaliholkki, ja sitä voidaan käyttää monissa sovelluksissa, kuten alavaunuissa, lähetyksissä ja polttoainejärjestelmissä. Putken valmistelua ei tarvita.

Ota yhteyttä meihin

Noin Laitos

Legines Industrial Machinery Inc.

Ammattimaisena Kiinan messinkivarusteena valmistajat ja työntävät varusteiden toimittajia. Se omaksuu täyden CNC -koneistuksen ja omistaa työpaja -alueen 3600 neliömetriä. 45 Automaattisia työstötyökaluja, 35 puoliautomaattista CNC-työstötyökalua sekä jakelijaa, joista on tullut tärkeitä toimittajia Yhdysvaltojen standardimessinen osien tuottamiseksi Kiinassa ...
  • kunnia
  • kunnia

OHJEET Uutiset