legines.com
70# taottu 90 ° Naisten kyynärpään puristusvarusteet

70# taottu 90 ° Naisten kyynärpään puristusvarusteet

Sovellukset: Markkinat:
■■ Lentolinjat ■■ Teollisuus-
■■ Voitelulinjat ■■ Pakkaus
■■ Jäähdytyslinjat ■■ Pneumaattinen
■■ Teollisuus ■■ Tulostus
■■ Koneet
■■ Kompressorit
■■ Nesteen siirto

Tuoteominaisuudet:
■■ Täyttää SAE J-512: n toiminnalliset vaatimukset
■■ UL -lueteltu palavan nesteen suhteen
■■ Messinki tai asetaaliholkki saatavilla
■■ Ei putken valmistelua
■■ Taottu ja suulakepuristettu muoto

Viittausosa nro:
70 -170C -S70 -70A

Ota yhteyttä

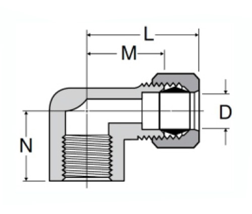
Tekniset tiedot

OSA#

Putki o.d x femalr nptf

N

M

D -d

70-3a

3/16x1/8

.470

.69

.125

70-4a

1/4x1/8

.470

.69

.188

70-4b

1/4x1/4

.562

.75

.188

70-5a

5/16x1/8

.600

.78

.234

70-5b

5/16x1/4

.562

.78

.250

70-6B

3/8x1/4

.580

.81

.312

70-6C

3/8x3/8

.580

.88

.312

70-8b

1/2x1/4

.700

1.00

.312

70-8C

1/2x3/8

.700

1.00

.406

70-8d

1/2x1/2

.880

1.00

.406

*Ref.sae nro 060203 ba

70# väärennetty naisten kyynärpää on luotettava puristussuojaus, joka on tehty vastaamaan SAE J-512. Tämä sovitus on suunniteltu 90 ° kulmalla suhteessa letku -akseliin, ja sitä voidaan käyttää haarautumiseen tai kulman tekemiseen milloin tahansa asennuksen jälkeen. Takennettu messinki tai asetaaliholkki mahdollistaa helpon kokoonpanon ilman putkien valmistetta.
Virtauksen hallintaan käytetään 70 asteen naaraskyynärpäätä ja sitä voidaan käyttää lievässä teräksessä, ruostumattomasta teräksestä, alumiinista ja muoveista. 70 asteen naispuolinen kyynärpää sisältää muovi- tai messinkihihan, joka tarjoaa korroosionkestävyyttä. Tämä sovitus on yhteensopiva pehmeän seinämän kanssa ja kaulan koko vastaa putken OD: tä, kun se on koottu.

Ota yhteyttä meihin

Noin Laitos

Legines Industrial Machinery Inc.

Ammattimaisena Kiinan messinkivarusteena valmistajat ja työntävät varusteiden toimittajia. Se omaksuu täyden CNC -koneistuksen ja omistaa työpaja -alueen 3600 neliömetriä. 45 Automaattisia työstötyökaluja, 35 puoliautomaattista CNC-työstötyökalua sekä jakelijaa, joista on tullut tärkeitä toimittajia Yhdysvaltojen standardimessinen osien tuottamiseksi Kiinassa ...
  • kunnia
  • kunnia

OHJEET Uutiset