legines.com
64# Brass Unionin tee -pakkausvarusteet

64# Brass Unionin tee -pakkausvarusteet

Brass Unionin tee -pakkausvarusteet 64#

Sovellukset: Markkinat:
■■ Lentolinjat ■■ Teollisuus-
■■ Voitelulinjat ■■ Pakkaus
■■ Jäähdytyslinjat ■■ Pneumaattinen
■■ Teollisuus ■■ Tulostus
■■ Koneet
■■ Kompressorit
■■ Nesteen siirto

Tuoteominaisuudet:
■■ Täyttää SAE J-512: n toiminnalliset vaatimukset
■■ UL -lueteltu palavan nesteen suhteen
■■ Messinki tai asetaaliholkki saatavilla
■■ Ei putken valmistelua
■■ Taottu ja suulakepuristettu muoto

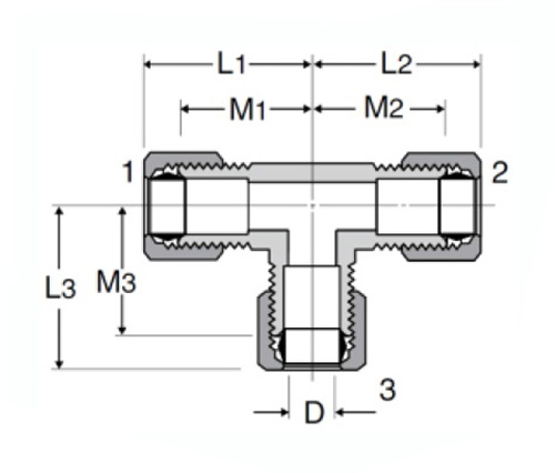
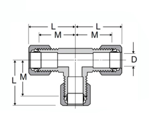
Viittausosa nro:
64 -164C -S64 -64A

Ota yhteyttä

Tekniset tiedot

OSA#

Putken koko O.D -d

M

M

D

64-2

1/8

/

.53

.94

64-3

3/16

/

.59

.125

64-4

1/4

/

.627

.188

64-5

5/16

/

.65

.250

64-6

3/8

/

.73

.312

64-8

1/2

/

.94

.406

64-10

5/8

/

1.06

.500

OSA#

Putken koko

M1

M2

M3

64-4-4-6

1/4x1/4x3/8

.69

.69

.75

64-4-6-4

1/4x3/8x1/4

.69

.75

.69

64-6-6-4

3/8x3/8x1/4

.75

.75

.69

64-8-8-6

1/2x1/2x3/8

.94

.94

.81

64-10-10-8

5/8x5/8x1/2

1.06

1.06

1.06

*Ref.sae nro 060401 ba

64 Brass Union Tee -pakkausvarusteemme on lueteltu palavan nesteen suhteen ja täyttävät SAE J-512: n toiminnalliset vaatimukset. Saatavana taottuina tai suulakepuristetuissa muodoissa, niitä on saatavana sekä koneistettujen että pistorasioiden kierteillä ja joko messinki- tai asetaaliholkissa. Saatavana joko messinki- tai asetaaliholkkeilla, kaikki komponentit on suunniteltu helppoa asennusta varten, joten asennus sujuu.

Ota yhteyttä meihin

Noin Laitos

Legines Industrial Machinery Inc.

Ammattimaisena Kiinan messinkivarusteena valmistajat ja työntävät varusteiden toimittajia. Se omaksuu täyden CNC -koneistuksen ja omistaa työpaja -alueen 3600 neliömetriä. 45 Automaattisia työstötyökaluja, 35 puoliautomaattista CNC-työstötyökalua sekä jakelijaa, joista on tullut tärkeitä toimittajia Yhdysvaltojen standardimessinen osien tuottamiseksi Kiinassa ...
  • kunnia
  • kunnia

OHJEET Uutiset