legines.com
3750# Messinkivarusteet urosjuoksun tee -messinkiputkivarusteet

3750# Messinkivarusteet urosjuoksun tee -messinkiputkivarusteet

Tuoteominaisuudet: Markkinat:
■■ Kaikki messinki rakenteet ■■ Teollisuus-
■■ Täyttää toiminnalliset vaatimukset ■■ Rakennus
SAE J530 ja SAE J531 ■■ Raskas kuorma -auto
■■ Ketjut, jotka on valmistettu dryseaalistandardeille ■■ Liikkuva
■■ Sekä pyydystävät että ekstruusiot saatavilla ■■ Tehdas-/prosessiautomaatio

Sovellukset: Yhteensopiva letku:
■■ Lentolinjat ■■ Kupari
■■ Vesilinja ■■ Messinki
■■ Jäähdytyslinjat ■■ Rautapiippu

Tekniset tiedot:
Painealue jopa 1000 psi: iin
Lämpötila -alue -65 ° -250 ° F

Tyypillinen sovellus:
Rasva, polttoaineet, LP ja maakaasu, jääkaapit.

Vaatimustenmukaisuus:
Täyttää ASA: n, ASME: n ja SAE: n eritelmät ja standardit.

Viittausosa nro:
2225p -225 -3750 -326 -225 -127a -28245 ~ 28249

Ota yhteyttä

Tekniset tiedot

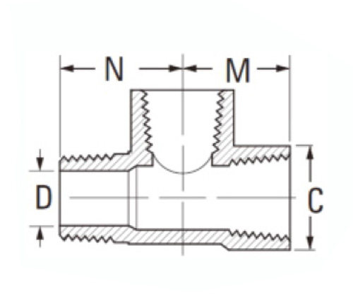
OSA#

Säikeen koko

C

D -d

M

N

3750-A

1/8

9/16

.219

.55

.66

3750-B

1/4

11/16

.312

.78

.90

3750-C

3/8

13/16

.438

.84

.97

3750-D

1/2

1 "

.562

1.09

1.25

3750-E

3/4

1 "-1/4

.750

1.38

1.38

*Ref.sae.no.130424

#3750 Mies Run Tee -varusteet valmistetaan messingistä ja tyydyttävät teollisuuden, tehdas-/prosessiautomaation ja mobiilisovellusten tarpeet. Ne tarjoavat yhteyden paineistettuihin lentolinjoihin. Yhteensopivia letkuja on saatavana kupari-, messinki- ja rautaputkina. Markkinat sisältävät rakennus-, teollisuus- ja raskaiden kuorma -autojen markkinat. Yhteensopivia materiaaleja ovat ilmaviivat, vesilinjat ja jäähdytyslinjat. Nämä messinkivarusteet ovat uros ja naisia avuksi. Materiaalit ovat riittävän vahvoja kestämään vuotoja ja pakottaakseen, mikä tekee niistä ihanteellisia kaikkiin sääolosuhteisiin.  Jokainen istuvuus on valmistettu kupariletkusta, messingistä ja muista laadukkaista materiaaleista, jotka tuovat kappaleen voimaa, kestävyyttä ja pitkäikäisyyttä.

Ota yhteyttä meihin

Noin Laitos

Legines Industrial Machinery Inc.

Ammattimaisena Kiinan messinkivarusteena valmistajat ja työntävät varusteiden toimittajia. Se omaksuu täyden CNC -koneistuksen ja omistaa työpaja -alueen 3600 neliömetriä. 45 Automaattisia työstötyökaluja, 35 puoliautomaattista CNC-työstötyökalua sekä jakelijaa, joista on tullut tärkeitä toimittajia Yhdysvaltojen standardimessinen osien tuottamiseksi Kiinassa ...
  • kunnia
  • kunnia

OHJEET Uutiset