legines.com
3400# Brass Pipe -varusteet 90 asteen kadun kyynärpää

3400# Brass Pipe -varusteet 90 asteen kadun kyynärpää

Tuoteominaisuudet: Markkinat:
■■ Kaikki messinki rakenteet ■■ Teollisuus-
■■ Täyttää toiminnalliset vaatimukset ■■ Rakennus
SAE J530 ja SAE J531 ■■ Raskas kuorma -auto
■■ Ketjut, jotka on valmistettu dryseaalistandardeille ■■ Liikkuva
■■ Sekä pyydystävät että ekstruusiot saatavilla ■■ Tehdas-/prosessiautomaatio

Sovellukset: Yhteensopiva letku:
■■ Lentolinjat ■■ Kupari
■■ Vesilinja ■■ Messinki
■■ Jäähdytyslinjat ■■ Rautapiippu

Tekniset tiedot:
Painealue jopa 1000 psi: iin
Lämpötila -alue -65 ° -250 ° F

Tyypillinen sovellus:
Rasva, polttoaineet, LP ja maakaasu, jääkaapit.

Vaatimustenmukaisuus:
Täyttää ASA: n, ASME: n ja SAE: n eritelmät ja standardit.

Viittausosa nro:
2202p -3400 -304 -115 -202 -116a -28156 -2816

Ota yhteyttä

Tekniset tiedot

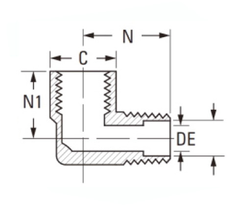
OSA# Säikeen koko C D -d N N1
3400-AA 1/8 × 1/8 9/16 .219 .66 .47
3400-BB 1/4 × 1/4 11/16 .315 .91 .72
3400-CC 3/8 × 3/8 13/16 .438 .97 .78
3400-DD 1/2 × 1/2 1 " .562 1.25 1.03
3400-ee 3/4 × 3/4 1-1/4 .750 1.38 1.12

Ref.sae nro130239

3400# Brass Pipe -varusteet 90 asteen kadun kyynärpää on valmistettu kaikista messinki -rakenteista ja yhteensopiva sekä pelaamisen että ekstruusion kanssa; Teollisuusluokan varusteet, jotka täyttävät SAE J530: n ja SAE J531: n toiminnalliset vaatimukset; Markkinat: Rakennus, raskas kuorma -auto ja matkapuhelin. Molempia standardeja noudatetaan mobiilisovelluksissa, jotka ovat kestomuovisia kumia (TPR), on kehitetty käytettäväksi auto-, teollisuus- ja kaupallisissa sovelluksissa, joissa CPVC on yhteensopimattomia. Tämä hitsauspään 90 asteen kadun kyynärpää sopii käytettäväksi hydraulijärjestelmissä, etenkin kun työskentelet äärimmäisen paineessa. Sitä on saatavana laajasti kokoa ja siinä on poikkeuksellinen korroosionkestävyys. Tätä asennusta käytetään ilmaviivojen kytkemiseen, jotka koostuvat kupariletkusta. Siinä on 90 asteen kulma ja se on tehty messingistä, joten se kestää ankaria sääolosuhteita.

Ota yhteyttä meihin

Noin Laitos

Legines Industrial Machinery Inc.

Ammattimaisena Kiinan messinkivarusteena valmistajat ja työntävät varusteiden toimittajia. Se omaksuu täyden CNC -koneistuksen ja omistaa työpaja -alueen 3600 neliömetriä. 45 Automaattisia työstötyökaluja, 35 puoliautomaattista CNC-työstötyökalua sekä jakelijaa, joista on tullut tärkeitä toimittajia Yhdysvaltojen standardimessinen osien tuottamiseksi Kiinassa ...
  • kunnia
  • kunnia

OHJEET Uutiset