legines.com
702 Käänteinen Flare Union Tee -varusteet

702 Käänteinen Flare Union Tee -varusteet

Tuoteominaisuudet:
■■ Kaikki messinki rakenteet
■■ UL -lueteltu palavan nesteen ja kaasun varalta
■■ Täyttää SAE J512: n toiminnalliset vaatimukset
■■ Teräsmutteritalous

Markkinat: sovellukset:
■■ Ilmastointi ■■ Jäähdytyslinjat
■■ Meren ■■ Jarrulinjat
■■ Liikkuva ■■ Polttoainelinjat
■■ Moottorit

Yhteensopiva letku:
■■ Kupari
■■ Messinki
■■ Alumiini
■■ Hitsattu teräs hydraulinen letku

Viittausosa nro:
244FHD -702 -441

Ota yhteyttä

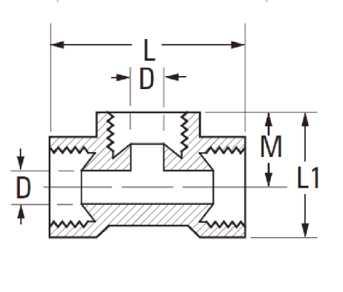
Tekniset tiedot

OSA#

Putki O.D -d

D

M

Lens

702-2 1/8 .078 .330 .94
702-3 3/16 .125 .390 1.09
702-4 1/4 .188 .420 1.13
702-5 5/16 .219 .450 1.25
702-6 3/8 .281 .560 1.48
702-8 1/2 .406 .937 1.76

*Ref.sae nro 040401 ba

Käänteinen Flare Union Tee -sovellusta käytetään kahden putken kytkemiseen. Tämä sovitus antaa virtauksen yhdestä liitoksesta poistua vastakkaisesta yhteydestä vähentämättä painetta tai virtausta. Siinä on täysin lukittava messinkirakenne ja siinä on SAE J512 -yhteensopiva suunnittelu, joka antaa sen vastustaa korroosiota. Käänteinen Flare Union TEE: tä voidaan käyttää sekä kaupallisissa että teollisissa sovelluksissa, kuten ilmastointi, kylmäainin linjat, merimoottorit, jarrulinjat ja liikkuvat polttoainelinjat.
702 käänteinen Flare Union Tee -varusteemme on tehty messingistä, ja se täyttää SAE J512: n vaatimukset. Siinä on teräsmutteri taloudelle, sitä voidaan käyttää jäätymisenestoaineen, jarrunesteen, merimoottorin jäähdytysveden ja goo -linjoissa.

Ota yhteyttä meihin

Noin Laitos

Legines Industrial Machinery Inc.

Ammattimaisena Kiinan messinkivarusteena valmistajat ja työntävät varusteiden toimittajia. Se omaksuu täyden CNC -koneistuksen ja omistaa työpaja -alueen 3600 neliömetriä. 45 Automaattisia työstötyökaluja, 35 puoliautomaattista CNC-työstötyökalua sekä jakelijaa, joista on tullut tärkeitä toimittajia Yhdysvaltojen standardimessinen osien tuottamiseksi Kiinassa ...
  • kunnia
  • kunnia

OHJEET Uutiset