legines.com
302 messinkijarrulinjayhdistys sopii

302 messinkijarrulinjayhdistys sopii

Tuoteominaisuudet:
■■ Kaikki messinki rakenteet
■■ UL -lueteltu palavan nesteen ja kaasun varalta
■■ Täyttää SAE J512: n toiminnalliset vaatimukset
■■ Teräsmutteritalous

Markkinat: sovellukset:
■■ Ilmastointi ■■ Jäähdytyslinjat
■■ Meren ■■ Jarrulinjat
■■ Liikkuva ■■ Polttoainelinjat
■■ Moottorit

Yhteensopiva letku:
■■ Kupari
■■ Messinki
■■ Alumiini
■■ Hitsattu teräs hydraulinen letku

Viittausosa nro:
302 -2300 -42FHD

Ota yhteyttä

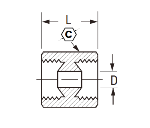
Tekniset tiedot

OSA#

Inv.flare × Inv.flare

C

D -d

Lens

302-2

1/8 13/32 .78

.59

302-3

3/16 15/32 .125

.62

302-4 1/4 17/32 .188 .62

302-5

5/16 19/32 .219 .70

302-6

3/8 3/4 .281 .80
302-8 1/2

29/32

.406

.91

*Ref.sae nro 040101 ba

Tätä unionin sopivuutta käytetään kaikentyyppisiin sovelluksiin, kuten ilmastointilinjoihin, kylmäainilinjoihin, meri-, liikkuvien polttoainelinjojen, moottorien ja voimansiirtojen. Se koostuu messinkirakenteesta ja siinä on teräsmutteri taloudelle.
302-sarjan messinki joustavaa linjayhdistystä käytetään yhdistämään letkujen letkut soihdun kanssa. 302 -sarja on ihanteellinen jarrulinjoihin, polttoainelinjoihin ja jäähdytyslinjoihin. Teräsmutteria käytetään linjaliiton kiinnittämiseen paikoilleen. 302-sarja on suunniteltu käytettäväksi kuparin ja alumiiniletkien kanssa.
Tämän messinkiliiton sopivuuden avulla voit nopeasti ja luotettavasti yhdistää letkun osien. Se on valmistettu messingistä, joka on lämmönkestävä ja korroosioton. Se on helppo asentaa Norprene -kumitiivisteensä ansiosta, joka tarjoaa tiukan tiivisteen päätylaitteiden väliin vähentäen vuotoja tai vuotoja. Unionin sovitus on yhteensopiva kuparista, messingistä tai alumiinista valmistettujen letkujen kanssa.
Tämä liitto tarjoaa keinon kahden letkun kytkemiseen. Pääkappale on valmistettu messingistä, jossa on teräsmutteri talouteen. Yhden putkeen kierteitetty nastatuotteen tulo sopii uran kehossa asennuksen vartaloon ja kääntyi messinkipaluun. Toinen putki kulkee ulkoisen uran läpi, joka kiinnitetään turvallisesti sisäisellä tapilla, joka voidaan myös sijoittaa omaan uraansa haluttaessa.

Ota yhteyttä meihin

Noin Laitos

Legines Industrial Machinery Inc.

Ammattimaisena Kiinan messinkivarusteena valmistajat ja työntävät varusteiden toimittajia. Se omaksuu täyden CNC -koneistuksen ja omistaa työpaja -alueen 3600 neliömetriä. 45 Automaattisia työstötyökaluja, 35 puoliautomaattista CNC-työstötyökalua sekä jakelijaa, joista on tullut tärkeitä toimittajia Yhdysvaltojen standardimessinen osien tuottamiseksi Kiinassa ...
  • kunnia
  • kunnia

OHJEET Uutiset