legines.com
105 litran teräsputki pitkä kierromutteri

105 litran teräsputki pitkä kierromutteri

Tuoteominaisuudet:
■■ Kaikki messinki rakenteet
■■ UL -lueteltu palavan nesteen ja kaasun varalta
■■ Täyttää SAE J512: n toiminnalliset vaatimukset
■■ Teräsmutteritalous

Markkinat: sovellukset:
■■ Ilmastointi ■■ Jäähdytyslinjat
■■ Meren ■■ Jarrulinjat
■■ Liikkuva ■■ Polttoainelinjat
■■ Moottorit

Yhteensopiva letku:
■■ Kupari
■■ Messinki
■■ Alumiini
■■ Hitsattu teräs hydraulinen letku

Viiteosa nro:

Ota yhteyttä

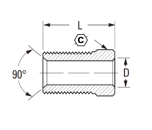
Tekniset tiedot

OSA#

Putki O.D -d

C

D

Lens

105L-3

3/16 3/8 .196

.844

105L-4

1/4 7/16 .257 .812

Tämä on messinkirakenne, pitkä kierremutteri putkelle jopa 1/4 "O.D. -materiaaliin. Siinä on UL -lueteltu palavan nesteen ja kaasun varalta, SAE: n J512 & UL 923/UL 181 -standardien toiminnalliset vaatimukset ja FMVSS 135 & FMVSS 302 -määritysten mukainen
Etsitkö ruostumattomasta teräksestä valmistettuja putkenpähkinöitä? Tämä listaus on sinulle! 105L: n ruostumattomasta teräksestä valmistettu putken pitkä kierromutteri on loistava päivitys putkistojärjestelmään, joka on rakennettu kaikista messinkilamissirakenteista ja täyttää SAE J512: n toiminnalliset vaatimukset. Sitä on monia kokoisia, joten muista tarkistaa ne.

Ota yhteyttä meihin

Noin Laitos

Legines Industrial Machinery Inc.

Ammattimaisena Kiinan messinkivarusteena valmistajat ja työntävät varusteiden toimittajia. Se omaksuu täyden CNC -koneistuksen ja omistaa työpaja -alueen 3600 neliömetriä. 45 Automaattisia työstötyökaluja, 35 puoliautomaattista CNC-työstötyökalua sekä jakelijaa, joista on tullut tärkeitä toimittajia Yhdysvaltojen standardimessinen osien tuottamiseksi Kiinassa ...
  • kunnia
  • kunnia

OHJEET Uutiset