legines.com
502 Käänteinen soihduliiton kyynärpää

502 Käänteinen soihduliiton kyynärpää

Tuoteominaisuudet:
■■ Kaikki messinki rakenteet
■■ UL -lueteltu palavan nesteen ja kaasun varalta
■■ Täyttää SAE J512: n toiminnalliset vaatimukset
■■ Teräsmutteritalous

Markkinat: sovellukset:
■■ Ilmastointi ■■ Jäähdytyslinjat
■■ Meren ■■ Jarrulinjat
■■ Liikkuva ■■ Polttoainelinjat
■■ Moottorit

Yhteensopiva letku:
■■ Kupari
■■ Messinki
■■ Alumiini
■■ Hitsattu teräs hydraulinen letku

Viittausosa nro:
502 -450

Ota yhteyttä

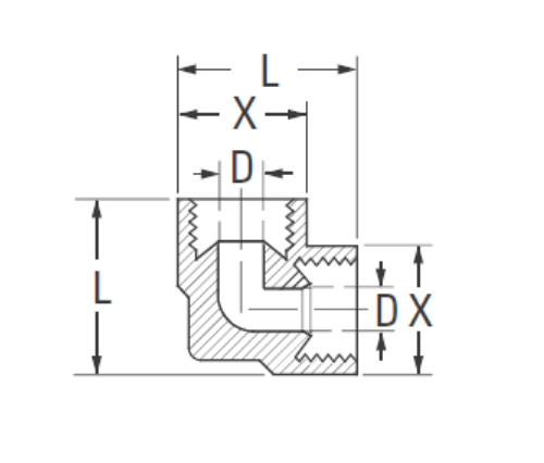
Tekniset tiedot

OSA#

Putki O.D -d

D

M

Lens

502-4 1/4 .188 .53 .77
*502-5 5/16 .219 .59 .86
*502-6 3/8 .281 .72 1.04

*Ei vakiona

*Ref.sae nro 040201 ba

502 -käänteinen Flare Unionin kyynärpää on soihdutusliitto, joka tarjoaa yleisesti yhteensopivan yhteyden letkun päälle osan alavirran puolella. Siinä on kaikki messinkirakenne, se on lueteltu palavan nesteen ja kaasun suhteen, ja se täyttää SAE J512: n toiminnalliset vaatimukset. Teräsmutteri talouteen tarkista viite nro.
Tämä ammattiliittojen kyynärpää on putkistoasennus, jota käytetään jäähdytys- ja ilmastointijärjestelmissä. Se on tyypillisesti kytketty kupari-, hopea- tai messinkiletkuihin. Salvetut liittimet sisältävät viemärireiät tiivistymisen auttamiseksi letkusta.

Ota yhteyttä meihin

Noin Laitos

Legines Industrial Machinery Inc.

Ammattimaisena Kiinan messinkivarusteena valmistajat ja työntävät varusteiden toimittajia. Se omaksuu täyden CNC -koneistuksen ja omistaa työpaja -alueen 3600 neliömetriä. 45 Automaattisia työstötyökaluja, 35 puoliautomaattista CNC-työstötyökalua sekä jakelijaa, joista on tullut tärkeitä toimittajia Yhdysvaltojen standardimessinen osien tuottamiseksi Kiinassa ...
  • kunnia
  • kunnia

OHJEET Uutiset