legines.com
252 Käännäistä soihdutusta sovittimen varusteita

252 Käännäistä soihdutusta sovittimen varusteita

Tuoteominaisuudet:
■■ Kaikki messinki rakenteet
■■ UL -lueteltu palavan nesteen ja kaasun varalta
■■ Täyttää SAE J512: n toiminnalliset vaatimukset
■■ Teräsmutteritalous

Markkinat: sovellukset:
■■ Ilmastointi ■■ Jäähdytyslinjat
■■ Meren ■■ Jarrulinjat
■■ Liikkuva ■■ Polttoainelinjat
■■ Moottorit

Yhteensopiva letku:
■■ Kupari
■■ Messinki
■■ Alumiini
■■ Hitsattu teräs hydraulinen letku

Viittausosa nro:
461FHD -252 -46W

Ota yhteyttä

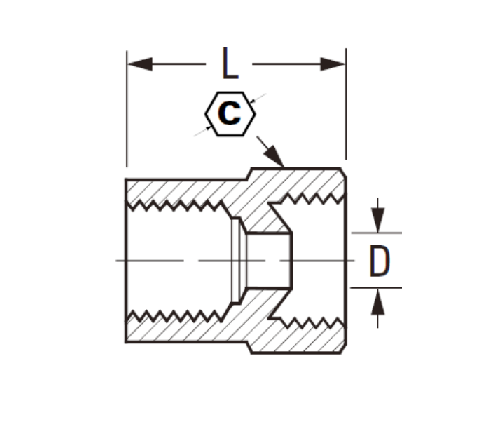
Tekniset tiedot

OSA#

Putki o.d × kierre

C

D -d

Lens

252-3a

3/16 × 1/8 15/32 .125 .62

252-4a

1/4 × 1/8 17/32 .188 .62

252-5b

5/16 × 1/4 19/32 .220 .70

252-6b

3/8 × 1/4 3/4 .281 .80

252-8C

1/2 × 3/8 29/32 .406 .91

*Ref.sae nro 040103 ba

Tällä kaikilla messinki -naispuolisten sovittimilla on käänteinen soihdutus käytettäväksi tavanomaisten urospuolisten leimahtuneiden varusteiden kanssa. Se tarjoaa luotettavan sinetin vuotojen estämiseksi ja on SAE J512 hyväksytty. Teräsmutteria suositellaan taloussovelluksiin, joissa pysyvästi asennettu soihdutusasennus on silti poistettava tai asennettava uudelleen lyhyessä ajassa.
Tarjoamalla ylimääräistä monipuolisuutta ja kestävyyttä, 252 -sarja vastaa putkia, joiden ulkorakenteen halkaisija on 3/16 ", 1/4", 5/16 "ja 3/8". Tämä varmistaa, että se on yhteensopiva käytännöllisesti katsoen kaikkien säiliövaunujen kanssa. Sinut vaikuttavat myös sen kestävään rakenteeseen, joka varmistaa pitkän elämän riippumatta siitä, kuinka monta kertaa käytät sitä.
Tämä adapterin sovitus on suunniteltu yhdistämään letkut ja venttiilit. Messinki valmistettu, tämä sopivuus täyttää alan standardit ja on suunniteltu käytettäväksi auto- ja merisovelluksissa.
Käänteinen soihdutusnapteri on naispuolinen asennus, joka on yhteensopiva SAE 1/2 "NPT -kierteiden ja SAE 3/8" -letkun kanssa. Kestävistä materiaaleista ja laajamittaiseen käyttöön suunniteltu nämä varusteet ovat erinomaisia jokaiselle kodille tai yrityksille.

Ota yhteyttä meihin

Noin Laitos

Legines Industrial Machinery Inc.

Ammattimaisena Kiinan messinkivarusteena valmistajat ja työntävät varusteiden toimittajia. Se omaksuu täyden CNC -koneistuksen ja omistaa työpaja -alueen 3600 neliömetriä. 45 Automaattisia työstötyökaluja, 35 puoliautomaattista CNC-työstötyökalua sekä jakelijaa, joista on tullut tärkeitä toimittajia Yhdysvaltojen standardimessinen osien tuottamiseksi Kiinassa ...
  • kunnia
  • kunnia

OHJEET Uutiset