legines.com
402 käänteinen soihdutus 90 ° uros kyynärpäät

402 käänteinen soihdutus 90 ° uros kyynärpäät

Tuoteominaisuudet:
■■ Kaikki messinki rakenteet
■■ UL -lueteltu palavan nesteen ja kaasun varalta
■■ Täyttää SAE J512: n toiminnalliset vaatimukset
■■ Teräsmutteritalous

Markkinat: sovellukset:
■■ Ilmastointi ■■ Jäähdytyslinjat
■■ Meren ■■ Jarrulinjat
■■ Liikkuva ■■ Polttoainelinjat
■■ Moottorit

Yhteensopiva letku:
■■ Kupari
■■ Messinki
■■ Alumiini
■■ Hitsattu teräs hydraulinen letku

Viittausosa nro:
4000 -2400 -2491FHD -2491if -49W

Ota yhteyttä

Tekniset tiedot

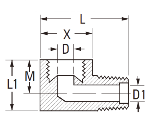
OSA#

Putki o.d × uroslanka

X

D -d

Lens

402-2a

1/8 × 1/8 .42 .078 .80

402-3a

3/16 × 1/8 .47 .125 .70

402-4a

1/4 × 1/8 .53 .188 .74

402-4b

1/4 × 1/4 .56 .188 .89

402-5a

5/16 × 1/8 .59 .219 .79

402-5b

5/16 × 1/4 .59 .220 .98

402-6a

3/8 × 1/8 .76 .281 .89

402-6b

3/8 × 1/4 .76 .281 1.03

402-6C

3/8 × 3/8 .75 .281 1.01

402-8b

1/2 × 1/4 .91 .406 1.08

402-8C

1/2 × 3/8 .92 .406 1.07
402-8d 1/2 × 1/2 .91 .406 1.26
402-10d 5/8 × 1/2 1.06 .531 1.32

*Ref.sae nro 040202 ba

Leimattu 90 °: n kyynärpäiden avulla voit helposti kytkeä kaksi riviä suorassa kulmassa. Niitä käytetään muuttamaan vettä, ilmastointilaitteita ja kylmäaineviivoja, jarrulinjoja ja polttoainelinjoja. All-Brass-rakenne ja teräsmutterit tekevät niistä ihanteellisia käytettäväksi teräs hydraulisen kumiletkun kanssa.
Tämä soihdutus 90 ° kyynärpää on kaikki messinkirakenne, Ul, joka on lueteltu syttyvälle nesteelle ja kaasulle, täyttää SAE J512: n, 1/8 "x1/8" -putken toiminnalliset vaatimukset 1/2 "x1/2" urospuolisoon. Teräsmutteri talouteen täyttää useimpien OEM -autonvalmistajien standardit.
Tämä on NPT uros kyynärpään sopivuus, joka on rakennettu messingistä ja jota käytetään putkistossa. Tämä sovitus tarjoaa edullisen tavan yhdistää putket, jotka on valmistettu eri materiaaleista ja kooista.

Ota yhteyttä meihin

Noin Laitos

Legines Industrial Machinery Inc.

Ammattimaisena Kiinan messinkivarusteena valmistajat ja työntävät varusteiden toimittajia. Se omaksuu täyden CNC -koneistuksen ja omistaa työpaja -alueen 3600 neliömetriä. 45 Automaattisia työstötyökaluja, 35 puoliautomaattista CNC-työstötyökalua sekä jakelijaa, joista on tullut tärkeitä toimittajia Yhdysvaltojen standardimessinen osien tuottamiseksi Kiinassa ...
  • kunnia
  • kunnia

OHJEET Uutiset