legines.com
352 messinki käänteinen leimahdus 45 ° uros kyynärpää

352 messinki käänteinen leimahdus 45 ° uros kyynärpää

Tuoteominaisuudet:
■■ Kaikki messinki rakenteet
■■ UL -lueteltu palavan nesteen ja kaasun varalta
■■ Täyttää SAE J512: n toiminnalliset vaatimukset
■■ Teräsmutteritalous

Markkinat: sovellukset:
■■ Ilmastointi ■■ Jäähdytyslinjat
■■ Meren ■■ Jarrulinjat
■■ Liikkuva ■■ Polttoainelinjat
■■ Moottorit

Yhteensopiva letku:
■■ Kupari
■■ Messinki
■■ Alumiini
■■ Hitsattu teräs hydraulinen letku

Viittausosa nro:
154 -2352 -259FHD -352 -94W

Ota yhteyttä

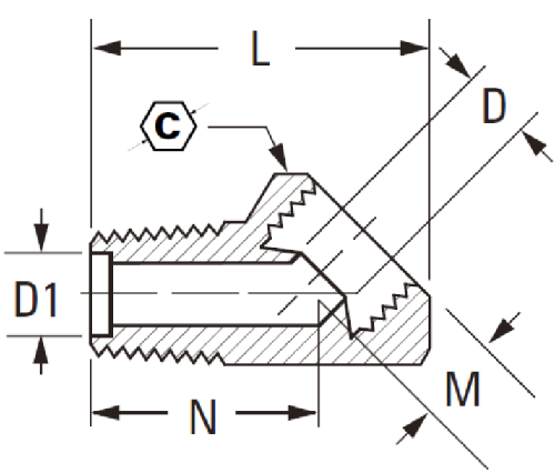
Tekniset tiedot

OSA#

Putki o.d × kierre

C

D -d

Lens

352-3a

3/16 × 1/8 17/32 .125 .88

352-4a

1/4 × 1/8 9/16 .188 .94

352-5a

5/16 × 1/8 5/8 .219 1.00

352-5b

5/16 × 1/4 5/8 .219 1.16

352-6B

3/8 × 1/4 25/32 .281 1.34

352-8C

1/2 × 3/8 7/8 .406 1.44

*Ref.sae nro 040302 ba

352 messinki käänteinen soihdutus 45 ° uros kyynärpää (SAE J512) on suunniteltu käytettäväksi ilmastointilaitteissa, kylmäaineviivoissa, meri- ja mobiilisovelluksissa. Tässä kyynärpäässä on urospuolinen soihdutus liukuvalla mutterilla helppoa asennusta varten. Kaikesta messingistä rakennetaan SAE J512 -uros 45 asteen leimahdusjohto paitsi teräsmutterin, joka tarjoaa kestävyyden ja kohtuuhintaisuuden.
352 messinki käänteinen soihdutus 45 ° uros kyynärpää on suunniteltu kaasuille ja nesteille, ja se täyttää SAE J512: n toiminnalliset vaatimukset, joiden koko on 1/8 " - 1”. Mittaa .94 ”ulkorahalkaisijalla.
Tämä 3–16-tuumainen putken sovitus ja tarjoaa 45 °: n kyynärpään mutkan.  Tämä sovitus sopii tavanomaiseen ilmastointiin, jäähdytykseen ja hydraulisiin sovelluksiin sekä mobiili- tai meriteollisuuteen.

Ota yhteyttä meihin

Noin Laitos

Legines Industrial Machinery Inc.

Ammattimaisena Kiinan messinkivarusteena valmistajat ja työntävät varusteiden toimittajia. Se omaksuu täyden CNC -koneistuksen ja omistaa työpaja -alueen 3600 neliömetriä. 45 Automaattisia työstötyökaluja, 35 puoliautomaattista CNC-työstötyökalua sekä jakelijaa, joista on tullut tärkeitä toimittajia Yhdysvaltojen standardimessinen osien tuottamiseksi Kiinassa ...
  • kunnia
  • kunnia

OHJEET Uutiset