legines.com
51# SAE 45 ° soihdutus messinki taottu urosjuoksusta Tee

51# SAE 45 ° soihdutus messinki taottu urosjuoksusta Tee

Tuoteominaisuudet:
■■ Kaikki messinki rakenteet
■■ Vastustaa värähtelyä pitkän mutterin avulla
■■ UL -listaus
■■ SAE J512: n ja J513: n toiminnalliset vaatimukset


Markkinat: Sovellukset:
■■ Jäähdytys ■■ Jäähdytyslinjat
■■ Raskas kuorma -auto ■■ Propaani
■■ Liikkuva ■■ Polttoaine
■■ Teollisuus- ■■ Adapterit
■■ Lämmitys ■■ Maakaasu
■■ Ilmastointi

Viittausosa nro:
T3- 151F -51 -10361 -10360

Ota yhteyttä

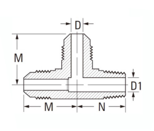
Tekniset tiedot

OSA#

Leimahdus O.D -d × Lanka

D

M

N

51-3 a

3/16 × 1/8

.126

.75

.75

51-4 a

1/4 × 1/8

.189

.78

.75

51-4b

1/4 × 1/4

.189

.88

.88

51-5 a

5/16 × 1/8

.219

.88

.80

51-5b

5/16 × 1/4

.219

1.00

.94

51-6b

3/8 × 1/4

.282

1.00

.94

51-6C

3/8 × 3/8

.282

1.00

1.00

51-6d

3/8 × 1/2

.282

1.12

1.22

51-8C

1/2 × 3/8

.408

1.16

1.09

51-8d

1/2 × 1/2

.408

1.22

1.22

51-10d

5/8 × 1/2

.500

1.41

1.31

51-12d

3/4 × 1/2

.625

1.63

1.59

51-12E

3/4 × 3/4

.625

1.63

1.44

*Ref.sae nro010424

SAE 45 ° soihdutus messinki taottu urosjuoksu. Tämä osa on valmistettu kaikista messingistä, mukaan lukien laipat ja mutteri. Näitä varusteita käytetään sovelluksissa, joissa värähtely on läsnä, kuten jäähdytys ja liikkuvat polttoainejohdot. Ajo -TEE: llä on SAE J512: n ja J513: n toiminnalliset vaatimukset, pitkällä mutterilla, joka kestää värähtelyä.

Ota yhteyttä meihin

Noin Laitos

Legines Industrial Machinery Inc.

Ammattimaisena Kiinan messinkivarusteena valmistajat ja työntävät varusteiden toimittajia. Se omaksuu täyden CNC -koneistuksen ja omistaa työpaja -alueen 3600 neliömetriä. 45 Automaattisia työstötyökaluja, 35 puoliautomaattista CNC-työstötyökalua sekä jakelijaa, joista on tullut tärkeitä toimittajia Yhdysvaltojen standardimessinen osien tuottamiseksi Kiinassa ...
  • kunnia
  • kunnia

OHJEET Uutiset