legines.com
72# Kompressiovarusteet uroshaara -tee

72# Kompressiovarusteet uroshaara -tee

Sovellukset: Markkinat:
■■ Lentolinjat ■■ Teollisuus-
■■ Voitelulinjat ■■ Pakkaus
■■ Jäähdytyslinjat ■■ Pneumaattinen
■■ Teollisuus ■■ Tulostus
■■ Koneet
■■ Kompressorit
■■ Nesteen siirto

Tuoteominaisuudet:
■■ Täyttää SAE J-512: n toiminnalliset vaatimukset
■■ UL -lueteltu palavan nesteen suhteen
■■ Messinki tai asetaaliholkki saatavilla
■■ Ei putken valmistelua
■■ Taottu ja suulakepuristettu muoto

Viittausosa nro:
72 -172C -S72 -72A

Ota yhteyttä

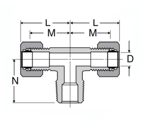
Tekniset tiedot

OSA#

Putki o.d × uros NPTF

M

N

D -d

72-3a

3/16 × 1/8

.63

.69

.125

72-4a

1/4 × 1/8

.63

.75

.188

72-4b

1/4 × 1/4

.69

.88

.188

72-5a

5/16 × 1/8

.72

.75

.250

72-5b

5/16 × 1/4

.75

.88

.250

72-6a

3/8 × 1/8

.75

.75

.312

72-6b

3/8 × 1/4

.79

.87

.312

72-6C

3/8 × 3/8

.88

1.00

.330

72-8C

1/2 × 3/8

.94

1.09

.406

72-8d

1/2 × 1/2

.97

1.19

.406

72-10d

5/8 × 1/2

1.06

1.31

.500

Kaikki puristusvarusteet valmistetaan vastaamaan tai ylittämään SAE J-512: n toiminnalliset vaatimukset ja UL: n lueteltu palavan nesteen suhteen. Ne on valmistettu alumiiniseoksesta, messingistä tai asetaalista. Takoilla ja suulakepuristetuilla muodollamme on suuri vaurioiden vastus, jota normaalisti tapahtuisi tavanomaisemmissa varusteissa. Teemme minkä tahansa muodon, jonka voit kuvitella enimmäishalkaisijaksi 2 ”.
Kompressioliittimet uroshaara-tee on 90 ° haaratyyppinen tee-sovitus, joka on käytettävä kuparin, ruostumattoman teräksen ja kestomuovisen putken kanssa. Kyynärpää kääntyy 360 ° helpottamaan yhteydenpitoa koville kulmille ja teeputkille.

Ota yhteyttä meihin

Noin Laitos

Legines Industrial Machinery Inc.

Ammattimaisena Kiinan messinkivarusteena valmistajat ja työntävät varusteiden toimittajia. Se omaksuu täyden CNC -koneistuksen ja omistaa työpaja -alueen 3600 neliömetriä. 45 Automaattisia työstötyökaluja, 35 puoliautomaattista CNC-työstötyökalua sekä jakelijaa, joista on tullut tärkeitä toimittajia Yhdysvaltojen standardimessinen osien tuottamiseksi Kiinassa ...
  • kunnia
  • kunnia

OHJEET Uutiset