legines.com
79# Puristusvarusteet messinki 45 ° uros kyynärpää

79# Puristusvarusteet messinki 45 ° uros kyynärpää

Messinki 45 ° uros kyynärpuristusvarusteet 79#

Sovellukset: Markkinat:
■■ Lentolinjat ■■ Teollisuus-
■■ Voitelulinjat ■■ Pakkaus
■■ Jäähdytyslinjat ■■ Pneumaattinen
■■ Teollisuus ■■ Tulostus
■■ Koneet
■■ Kompressorit
■■ Nesteen siirto

Tuoteominaisuudet:
■■ Täyttää SAE J-512: n toiminnalliset vaatimukset
■■ UL -lueteltu palavan nesteen suhteen
■■ Messinki tai asetaaliholkki saatavilla
■■ Ei putken valmistelua
■■ Taottu ja suulakepuristettu muoto

Viittausosa nro:
273 -179c -74 -77 -6945

Ota yhteyttä

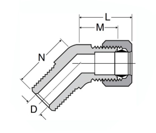
Tekniset tiedot

OSA#

Putki o.d × uros NPTF

N

M

D -d

79-3a

3/16 × 1/8

.61

.43

.125

79-4a

1/4 × 1/8

.61

.43

.189

79-4b

1/4 × 1/4

.83

.59

.189

79-5a

5/16 × 1/8

.66

.66

.234

79-5b

5/16 × 1/4

.83

.66

.250

79-6a

3/8 × 1/8

.66

.62

.312

79-6B

3/8 × 1/4

.83

.62

.312

79-6c

3/8 × 3/8

.88

.75

.312

79-8C

1/2 × 3/8

.94

.75

.406

79-8d

1/2 × 1/2

1.13

.94

.406

*Ref.sae nro 060302 ba

Kompressiovarusteet valmistetaan messingistä ja kootaan puristuslautalla ja mutterilla. Takennetut, suulakepuristetut mandrelit tarjoavat vahvuuden kaikkiin suuntiin pysyvälle asennukselle.
Nämä puristusvarusteet ovat täydellisiä LVI -letkuun, jossa on sileät, vakio- ja purettavat päät. Niitä käytetään myös liitinputkien varusteina monilla eri aloilla, mukaan lukien kaupalliset, teollisuus-, auto- ja merisovellukset.

Ota yhteyttä meihin

Noin Laitos

Legines Industrial Machinery Inc.

Ammattimaisena Kiinan messinkivarusteena valmistajat ja työntävät varusteiden toimittajia. Se omaksuu täyden CNC -koneistuksen ja omistaa työpaja -alueen 3600 neliömetriä. 45 Automaattisia työstötyökaluja, 35 puoliautomaattista CNC-työstötyökalua sekä jakelijaa, joista on tullut tärkeitä toimittajia Yhdysvaltojen standardimessinen osien tuottamiseksi Kiinassa ...
  • kunnia
  • kunnia

OHJEET Uutiset