legines.com
24m presto -jakoputki

24m presto -jakoputki

Tuoteominaisuudet:
■■ Messinkikolli
■■ Bun n o-rengas
■■ Ruostumattomasta teräksestä valmistettu putki
■■ Tapaa D.O.T. FMVSS571.106
■■ Tapaa SAE J2494-3
■■ Yhdistelmäkappale - vahva, kevyt, kompakti ja iskunkestävä
■■ Plug-in-kokoonpanot

Markkinat:
■■ Raskas kuorma -auto
■■ Perävaunu
■■ Liikkuva

Sovellukset:
■■ Ilmajarrut
■■ Ilmaräiliöt
■■ Lentomatka
■■ Liukusäätimet
■■ Rengasinflaatio
■■ Ensisijaiset ja toissijaiset rivit
■■ CAB -ohjaimet

Ota yhteyttä

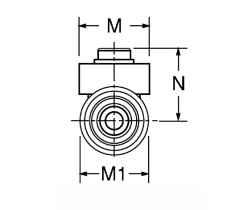
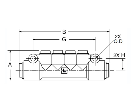
Tekniset tiedot

OSEräs

Ei.

Putki O.D -d

lnlet

Putki O.D

Pistorasia

A B - D G H M M1 N
24m-4-4 1/4 1/4 1.33 3.98 .21 2.75 .53 .90 .88 .89
24m-6-4 3/8 1/4 1.33 4.00 .21 2.75 .53 .90 .88 .89
24m-6-6 3/8 3/8 1.65 6.49 .22 4.55 .60 1.02 1.02 1.33
24m-8-8 1/2 1/2 1.65 6.49 .22 4.55 .60 1.02 1.02 1.33
24m-8-6-4-4-6-8 1/2 3/8 ja 1/4 1.65 6.49 .22 4.55 .60 1.02 1.02 1.17

24 m: n presto -monimuoto on rakennettu tarjoamaan helppoa, nopeaa ja luotettavaa palvelua. Yhdistelmäkappale, jolla on vahva, kevyt, iskunkestävä ja kompakti muotoilu, tarjoaa voimaa samalla kun vähenee irtotavaraa. 24 m: n presto-jakotukki on suunniteltu täyttämään D.O.T FMVSS571.106, SAE J2494-3 vaatimukset korkeapaineisille sovelluksille. Sen pistoke- ja play -ominaisuudet sallivat maksimaalisen monipuolisuuden missä tahansa sovelluksessa.

Ota yhteyttä meihin

Noin Laitos

Legines Industrial Machinery Inc.

Ammattimaisena Kiinan messinkivarusteena valmistajat ja työntävät varusteiden toimittajia. Se omaksuu täyden CNC -koneistuksen ja omistaa työpaja -alueen 3600 neliömetriä. 45 Automaattisia työstötyökaluja, 35 puoliautomaattista CNC-työstötyökalua sekä jakelijaa, joista on tullut tärkeitä toimittajia Yhdysvaltojen standardimessinen osien tuottamiseksi Kiinassa ...
  • kunnia
  • kunnia

OHJEET Uutiset