legines.com
1/2 Lanka BSP -sovittimen letkun takaputki

1/2 Lanka BSP -sovittimen letkun takaputki

1/2 lanka BSP -sovittimen letkun häntäputki 2601

Tyypillinen sovellus:
Rasva-, jäähdytys-, instrumentointi- ja hydraulijärjestelmät.Fuel

Edut:
Dryseal putkilangat (BSPT (R)/BSP (G) .Sarge -kokoiset ja -kokoonpanot

Ota yhteyttä

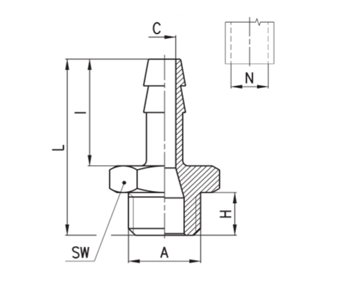
Tekniset tiedot

OSA#

Lensangan koko a

N

S.w

L

C

H Minä
2601 2-M5 M5 2.0 8.0 16 1.2 6 8

2601 4,5-m5

M5 4.0 8.0 23 2.5 8 15

2601 7-1/8

G/18 7.0 12 30 4 9 20

2601 7-1/4

G1/4 7.0 17 33 4 9 20

2601 8-1/8

G1/8 8.0 12 33 5 10 20

2601 9-1/8

G1/8 9.0 12 30 5.5 10 20

2601 9-1/4

G1/4 9.0 17 33 6 10 20

2601 9-3/8

G3/8 9.0 17 34 6 9 20

2601 12-1/4

G1/4 12.0 19 33 8.5 8 20

2601 12-3/8

G3/8 12.0 17 34 9 9 20

2601 12-1/2

G1/2 12.0 19 35.5 9 10 20

2601 17-3/8

G3/8 17.0 19 38 12 9 24

2601 17-1/2

G1/2 17.0 24 39.5 13 10 24

BSP -adapterin takaputki valmistetaan käyttämällä laadukasta raaka -ainetta. Sitä käytetään palloventtiilin, unionin tai nipin kytkemiseen putkilinjaan. Asiakkaamme arvostavat sitä erinomaisen laadun ja kestävyyden vuoksi.
Laaja valikoima putkilaitteita, jotka sopivat moniin sovelluksiin. Puhdas muotoilu korkealaatuisilla materiaaleilla tarjoaa luotettavan suorituskyvyn ja vuotojen kireyden.

Ota yhteyttä meihin

Noin Laitos

Legines Industrial Machinery Inc.

Ammattimaisena Kiinan messinkivarusteena valmistajat ja työntävät varusteiden toimittajia. Se omaksuu täyden CNC -koneistuksen ja omistaa työpaja -alueen 3600 neliömetriä. 45 Automaattisia työstötyökaluja, 35 puoliautomaattista CNC-työstötyökalua sekä jakelijaa, joista on tullut tärkeitä toimittajia Yhdysvaltojen standardimessinen osien tuottamiseksi Kiinassa ...
  • kunnia
  • kunnia

OHJEET Uutiset